companies:kutzscher
Friedrich Wilhelm Kutzscher (jun.)
| Established | 1879 (according to letterheads) 1882 Picture of first “Kutzscherfabrik” (see Wirtschafts-Chronik page 60) 1891 (according to commercial registration) |
|
| Founder | Friedrich Wilhelm Kutzscher sen. after being freshly trained at the new „Fachschule für Klempner und Blecharbeiter“ in Aue that was founded in 1877. The 1891 company was founded by his son F.W. Kutzscher junior (in the following referred to as FWKJ) |
|
| Adress(es) | Schwarzenberg (Erz Mountains)/Saxony; Adverts below and the catalogue cover to the right from 1919 indicate that FWKJ had various locations in Schwarzenberg. | |
| Operations | Four main branches of operations by F.W. Kutzscher and his son in historical order: - Oil Cans and other sheet metal products (Product range 1941 to the right) plus - Moulds for chocolate and confectionery - Design and manufacturing of moulds and specialised machinery for the glassmaking industry - Chinaware | |
| Brief history (till 1960) | Founded in 1879 in Schwarzenberg by Friedrich Wilhelm Kutzscher. Since 1891 it was known as “F.W. Kutzscher jun.” and used for the production of metalware of drawn, pressed, punched and embossed objects (moulds). In 1904, Kutzscher began producing moulds for chocolate and confectionery. 1905 acquisition of the metal mould producer, August Riecke which was a as well a maker of specialized machines for the glass industry and moulds for both glass and chocolate making. This company was was later known as “Fr. Wilhelm Kutzscher” and produced in the former Riecke factory in Deuben/Dresden. In 1908 Kutzscher founded a third company “Fr. W. Kutzscher & Co.” in Obersachsenfeld near Schwarzenberg to produce chinaware. 1913 Approximately 300 employees |
|
| 1914 - 1918 World War I 1926 Letterhead (without logo) 1929 Chocolate mould production was phased out 1930’s chinaware production was stopped, and logo started to be used on oil cans. Before that time I have found solely one can with a “K” soldered out of wire pieces to a railroad oil can (details see below) With numerous patents Kutzscher was at that time one of the most important glass machine manufacturers. | |
|
| 1938 – 1945 World War II During the war FWKJ employed approximately 650 employees. The military production focused on the production of thrust nozzles for jet airplanes. Letterhead from 1939 to the right. | |
|
| Post war summary: F-W.Kutzscher jun 1946 Disassembly of manufacturing operations. Small scale production of parts for farming machines, waste bins and roof windows. The lack of direct rail access created already during wartime and afterwards difficulties in the logistics of potentially interested manufactuers. The company was not immediately expropriated as in 1956 main manufacturing facilities have been rented to VEB Waschgerätewerk Schwarzenberg (former Krausswerke/named Plant I) by Charlotte Klara Freitag (daughter of Friedrich Wilhelm Kutzscher jun +1962). In the records of VEB Waschgerätewerk Schwarzenberg Kutzscher facilities are listed as Plant II. For further details on the history of VEB Waschgerätewerk I recommend this documentation. 1958 28 employees (!!!) 1962 death of Charlotte Freitag (born Kutzscher) 1971 deletion from commercial register after close to 100 years of history 1946 F W Kutzscher (glass) Was expropriated already in 1946, disassembled and renamed to „Glasmaschinenbau Freital“. Kutzscher descentants/family members moved with construction details to the western part of Germany and restarted the business. 1950 new establishment of Fr. W. Kutzscher GmbH in Kiel by relatives and descendants of the founder. |
||
| Status 2021 | The core of the main building of FW Kutzscher jun. in Schwarzenberg (Gartenstrasse 13-15) still exists. It was built between 1908 and 1914 and is protected as historic monument. After more than 15 years as nearly abandoned place it was sold by the Kutzscher heirs in 2014/15 to a private investor. Supported by subsidies from the state the new owner has started to renovate the building 2017. Glass manufacturing operations, with various changes in between, continued till the successor company “Glasmaschinenbau Freital GmbH” was liquidated in 2019. | Anyone able and willing to contribute a current picture? |
| Oil can history | Based in the letterheads above, the logo has been introduced between 1926 and 1939. Before that time to my knowledge no identification of F.W. Kutzscher jun. as the manufacturer was on the oil cans. However, I found one very old oil can that carries a “K” which could likely be either a link to the Krausswerke or Kutzscher but certainly not to the most famous oil can “K” of Josef Kaye & Sons Ltd in the UK. F.W. Kutzscher junior registered and acquired several oil can related intellectual property (list below). These patents and utility models however represent just a fraction of the several dozens of IP documents filed in the glass manufacturing branch of activities. A little historical excurse: In the propaganda of the Nazi regime Germany was described as a country without essential raw material (“have-not”). Whether fully true or not this helped with driving forward their autarky policy (self- sufficiency). Among the strategic materials were oil, copper and tin. With technology to gain oil out of coal one focus was set. The dependency on non-ferrous metals was not as obvious and only in recent research (Tin and global capitalism 1850-2000 by Jonas Scherner/2014) brought some interesting insights. 90% of peacetime copper and, for oil cans more important, 98% of the tin was in peacetimes imported, mostly from overseas and in wartimes under the threat of a sea blockade from England (as enemy in the war). This self-sufficiency efforts are explicitely mentioned in the justification for utility model #1484459 from 1940. It is stated that the “new” gas and spot-welded construction reduces the dependency on foreign tinplated sheet metal and tin (used for soft soldering). The whole oil can, once assembled, would be treated with a protective coat of either hot zinc or paint. Welding instead of soft soldering was a key theme as well in the former German Democratic Republic and this technology was used for decades (example oil cans from VEB BLEWA Schleiz). I have seen apart from welding traces as well brazing (hard soldering with higher temperatures and silver alloys) on their oil cans. The “K-range” In the mid 30’s a patent for an oil can was filed which later determined the start of what I would call the “K-range” of oil cans produced in large quantities during the war for civil and military use. Some of these (especially the model “K2”) are very common on Ebay today which is a very good indicator for their sturdiness. Interestingly the “K-range” did not appear in any advertisement I have found so far. Some of the oil cans demonstrate that manufacturing knowledge for the very detailed chocolate moulds was transferred and vice versa to create the probably most esthetically appealing oil can ever produced in Germany (see 2nd picture below). |
|
| Oil Cans | Old oil can marked “K” | |
| “Most beautiful German oil can” | |
|
| Oil can with spout similar to the above | |
|
| Oil can with brass closing cap of pump mechanism similar to the above | |
|
| The 'K-range' K1, K5-7 will follow as soon as I have good cans and pictures | ||
| K2 | |
|
| K3 | |
|
| K4 | |
|
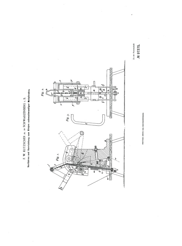
| Patents and utility models | Patent #97375 granted on June 20th, 1898 to FKWJ (bending of thin pipes > process and machinery) | |
| Patent #50210 for oil can transferred to FWKJ (Initial holder was Fritz Thomas / granted July 16th, 1889) | |
|
| Utility model #1332057 for oil can body granted on March 27, 1935 FWKj (used for K series) | |
|
| Patent #690456 granted on July 12th, 1938 to Josef Herbert Sieber (used on K3 and K4 model) – published with a delay of 2 years! | |
|
| Utility model #1480581 granted on January 13th, 1940 to FWKJ (pump mechanisms) | |
|
| Patent #1484459 granted on April 9th, 1940 to FWKJ | |
|
| Catalogue pages | One catalogue from 1905 was sold on Ebay several years ago – unfortunately I missed it. | Let me know if you have a catalogue! |
| Adverts | Advert 1912 | |
| Advert 1914 | |
|
| Paper seal 20's/30's | |
|
| Advert 1924 | |
|
| Advert mid 1930’s > very interesting as it contains a reference to the UK competitor Josef Kaye & Sons Ltd. The advert shows a non-pie-crust patented seamless syphon oil can and a reference to “so called Kaye’s can”. Whether it is an oil can that was copied or just added to the program needs some further research work. | |
|
| Advert 1939 | |
|
| Thanks to | Dieter Neumann and his extensive research focused on the glass manufacturing branch of Kutzscher. A summary of his research can be found here | |
| Further references | Wirtschaft-Chronik; Ein Streifzug durch die Wirtschaftsgeschichte der Stadt Schwarzenberg im Erzgebirge, herausgegeben von der Stadt Schwarzenberg anlässlich der 850-Jahr-Feier, 1. Auflage 2000 | |
companies/kutzscher.txt · Last modified: by wikiadmin























